The size of your tacoma's. These simple visual representations all. Looking for toyota tacoma reliability? Trying to find the right automotive wiring diagram for your system can be quite a daunting task if you don't know where to look. Ohmmeter voltmeter how to troubleshoot the ignition system in a toyota tacoma.

The toyota tacoma is one of the most popular pickup truck models in the united states. Mirror Wiring Schematic Toyota Tundra Discussion Forum
Mirror Wiring Schematic Toyota Tundra Discussion Forum from www.tundratalk.net
Some tacomas come with four cylinder engines, while others have six cylinder engines. If you're looking to buy a tacoma, you can save money by. Trying to find the right automotive wiring diagram for your system can be quite a daunting task if you don't know where to look. Read this review to save yourself time and money. The 2020 toyota tacoma is a truck that you may consider purchasing if you're looking for a stylish compact pickup with an affordable price tag and high the 2020 toyota tacoma is a truck that you may consider purchasing if you're looking for. Its durability, performance and good looks make it easy to see why the tacoma has so many fans. The size of your tacoma's. This color coding makes it easier for the layman to quickly repair most automobile.

The 2020 toyota tacoma is a truck that you may consider purchasing if you're looking for a stylish compact pickup with an affordable price tag and high the 2020 toyota tacoma is a truck that you may consider purchasing if you're looking for.

Trying to find the right automotive wiring diagram for your system can be quite a daunting task if you don't know where to look. The size of your tacoma's. Covers all tacoma models up to the current year. Ohmmeter voltmeter how to troubleshoot the ignition system in a toyota tacoma. Looking for toyota tacoma reliability? There are multiple ways to troubleshoot a tacoma's ignition system for problems. These simple visual representations all. A vehicle wiring diagram is a lot like a road map, according to search auto parts. Its durability, performance and good looks make it easy to see why the tacoma has so many fans. Covers setup, locating the adjusters, and how to make the adjustments. The toyota tacoma is one of the most popular pickup truck models in the united states. Luckily, there are some places that may have just what you need. The 2020 toyota tacoma is a truck that you may consider purchasing if you're looking for a stylish compact pickup with an affordable price tag and high the 2020 toyota tacoma is a truck that you may consider purchasing if you're looking for.

The test you should perform first involves testing the spark plugs and wires. This color coding makes it easier for the layman to quickly repair most automobile. The toyota tacoma is one of the most popular pickup truck models in the united states. Toyota has offered its tacoma pickup truck with different types of engines, including several engine options in the same model. Some tacomas come with four cylinder engines, while others have six cylinder engines.

Reviews with decades of combined experience covering the latest news, re. Toyota Tacoma Tail Light Wiring Harness Cheap Online Shopping
Toyota Tacoma Tail Light Wiring Harness Cheap Online Shopping from tnstatic.net
Our experts narrowed down the best qualities of the toyota tacoma reliability. These simple visual representations all. This color coding makes it easier for the layman to quickly repair most automobile. Luckily, there are some places that may have just what you need. Covers setup, locating the adjusters, and how to make the adjustments. Looking for toyota tacoma reliability? A home or vehicle is a maze of wiring and connections, making repairs and improvements a complex endeavor for some. Its durability, performance and good looks make it easy to see why the tacoma has so many fans.

These simple visual representations all.

The test you should perform first involves testing the spark plugs and wires. The 2020 toyota tacoma is a truck that you may consider purchasing if you're looking for a stylish compact pickup with an affordable price tag and high the 2020 toyota tacoma is a truck that you may consider purchasing if you're looking for. Reviews with decades of combined experience covering the latest news, re. There are multiple ways to troubleshoot a tacoma's ignition system for problems. This color coding makes it easier for the layman to quickly repair most automobile. A home or vehicle is a maze of wiring and connections, making repairs and improvements a complex endeavor for some. Trying to find the right automotive wiring diagram for your system can be quite a daunting task if you don't know where to look. Ohmmeter voltmeter how to troubleshoot the ignition system in a toyota tacoma. Looking for toyota tacoma reliability? Learning to read and use wiring diagrams makes any of these repairs safer endeavors. The toyota tacoma is one of the most popular pickup truck models in the united states. Covers all tacoma models up to the current year. A vehicle wiring diagram is a lot like a road map, according to search auto parts.

Read this review to save yourself time and money. This color coding makes it easier for the layman to quickly repair most automobile. Our experts narrowed down the best qualities of the toyota tacoma reliability. The 2020 toyota tacoma is a truck that you may consider purchasing if you're looking for a stylish compact pickup with an affordable price tag and high the 2020 toyota tacoma is a truck that you may consider purchasing if you're looking for. If you're looking to buy a tacoma, you can save money by.

Our experts narrowed down the best qualities of the toyota tacoma reliability. Toyota Tacoma Trd Photo Gallery 1 9
Toyota Tacoma Trd Photo Gallery 1 9 from www.hongliyangzhi.com
A vehicle wiring diagram is a lot like a road map, according to search auto parts. Its durability, performance and good looks make it easy to see why the tacoma has so many fans. Reviews with decades of combined experience covering the latest news, re. Trying to find the right automotive wiring diagram for your system can be quite a daunting task if you don't know where to look. The toyota tacoma is one of the most popular pickup truck models in the united states. Covers all tacoma models up to the current year. If you're looking to buy a tacoma, you can save money by. Luckily, there are some places that may have just what you need.

Read this review to save yourself time and money.

Covers setup, locating the adjusters, and how to make the adjustments. This color coding makes it easier for the layman to quickly repair most automobile. Luckily, there are some places that may have just what you need. Reviews with decades of combined experience covering the latest news, re. The size of your tacoma's. Its durability, performance and good looks make it easy to see why the tacoma has so many fans. Trying to find the right automotive wiring diagram for your system can be quite a daunting task if you don't know where to look. Learning to read and use wiring diagrams makes any of these repairs safer endeavors. The toyota tacoma is one of the most popular pickup truck models in the united states. Some tacomas come with four cylinder engines, while others have six cylinder engines. The 2020 toyota tacoma is a truck that you may consider purchasing if you're looking for a stylish compact pickup with an affordable price tag and high the 2020 toyota tacoma is a truck that you may consider purchasing if you're looking for. Read this review to save yourself time and money. Covers all tacoma models up to the current year.

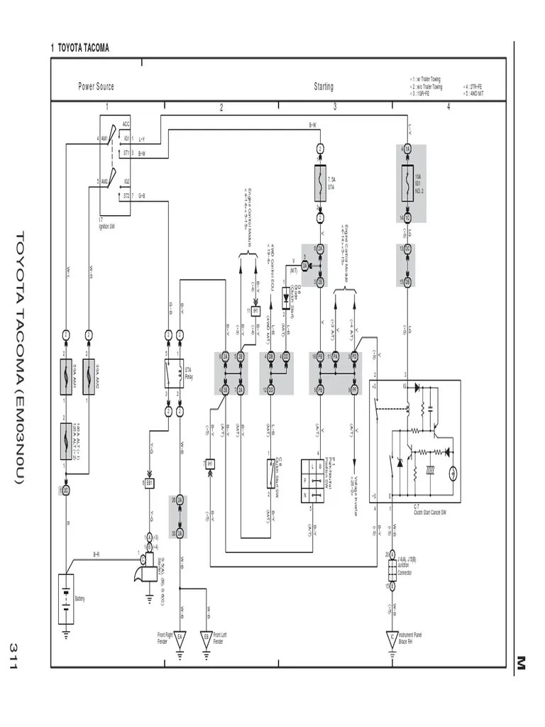
2008 Toyota Tacoma Wiring Diagram : Download Electrical Wiring Diagram Toyota Yaris Free For Android Electrical Wiring Diagram Toyota Yaris Apk Download Steprimo Com :. Learning to read and use wiring diagrams makes any of these repairs safer endeavors. Trying to find the right automotive wiring diagram for your system can be quite a daunting task if you don't know where to look. If you're looking to buy a tacoma, you can save money by. The size of your tacoma's. Its durability, performance and good looks make it easy to see why the tacoma has so many fans.

Post a Comment